Startseite » Erdwärmetauscher » Luft-Erd-Wärmetauscher » Lufterdwärmetauscher Rehau » AWADUKT Thermo Kondensatsammelschacht




AWADUKT Thermo Kondensatsammelschacht
AWADUKT Thermo Kondensatsammelschacht
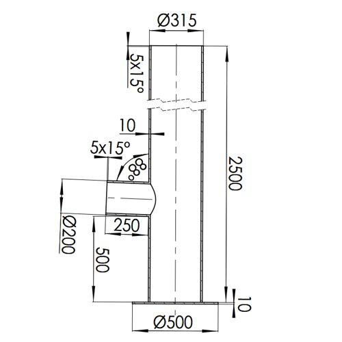
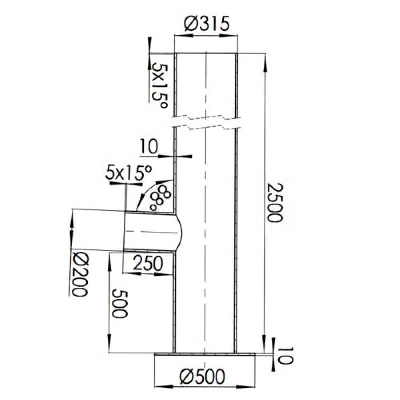
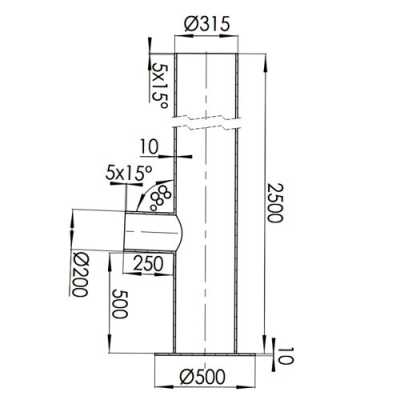
Ist die Installation eines Kondensatablaufs im Gebäude nicht möglich, so ist der Kondensatablauf durch Einsatz eines oder mehrerer Kondensatsammelschächte sicherzustellen. Die Installation des Kondensatsammelschachtes erfolgt bei Einrohrsystemen durch einen Abzweig im Rohrsystem. Bei Mehrrohrsystemen sind zwei Kondensatsammelschächte zu installieren, jeweils ein Schacht auf Verteiler- und Sammlerseite. Diese können direkt in der Hauptleitung oder direkt an den Verteiler/ Sammler angeschlossen werden.
- für nicht unterkellerte Gebäude,
- mit Flachboden und 1 Anschluss DN/OD 200 (Spitzende):
- Werkstoff: RAU-PP
- Farbe: RAL 5009 Azurblau
- Maße: 2500 x 500 (h x b in mm) siehe Skizze
Hersteller- und Produktsicherheitshinweise REHAU Industries
REHAU Industries SE & Co. KGRheniumhaus, Helmut-Wagner-Str. 1
95111 Rehau
Deutschland
Telefon: +49 9131 92-50
E-Mail: info@rehau.com
Webseite: https://www.rehau.com/de-de/
Leider sind noch keine Bewertungen vorhanden. Seien Sie der Erste, der das Produkt bewertet.
Sie müssen angemeldet sein um eine Bewertung abgeben zu können. Anmelden